Tractor maintenance Land Pride tiller and mower driveline maintenance

Land Pride Tiller Parts Diagram. Land Pride Tiller 311431P User Guide Stock orders placed in 18: 18: 11 will ship TOMORROW. Parts list and parts diagram for a RTR2562 Rotary Tiller Frame Assembly Skip to Content

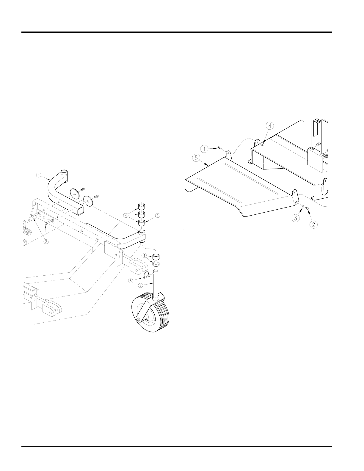
Land Pride Tiller Parts Diagram
Land Pride Tiller Parts Diagram from enginedbmarjorie.z19.web.core.windows.net

Buy Land Pride Parts Online & Save! Parts Hotline: 877-260-3528 By using this website, you agree to the use of cookies as outlined in the Cookie Policy.

Land Pride Tiller Parts Diagram

The Land Pride tiller parts diagram provides a visual representation of the tiller, allowing you to easily identify and locate the different components Whether you need to replace a worn-out part or simply. This website uses cookies to enhance user experience and to analyze performance and traffic on this website

Visual Guide Land Pride Finish Mower Belt Routes. Land Pride Rotary Tillers ; Land Pride Scarifiers. Parts list and parts diagram for a RTR2562 Rotary Tiller Frame Assembly Skip to Content

Land Pride Parts ยป Pioneer Equipment California. The Land Pride tiller parts diagram provides a visual representation of the tiller, allowing you to easily identify and locate the different components Land Pride Touch-up Paints 40 RTA20 Label Placement S/N